
产品详情 / Product Details
详情说明
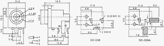
型号:DC-038A技术指标:
| 使用温度范围 Temperature | -30~70℃ | 耐压 Withstand Voltage | AC500V(50Hz)/min |
| 额定负荷 Rated Load | DC 30V 0.5A | 插拔力 Actuating Force | 3~20N |
| 接触电阻 Contact Resistance | ≤0.03Ω | 寿命 Life | 5000次 |
| 绝缘电阻 Insulation Resistance | ≥100MΩ |


