免费热线:13267911679
tonyfang@jiamingtai.net
搜索
首页
关于我们
新闻中心
产品中心
产品应用
人力资源
在线留言
联系我们
产品中心
轻触开关
拨动开关
直拨拨动开关
侧拨拨动开关
按键开关
耳机插座
2.5耳机插座DIP
2.5耳机插座SMT
3.5耳机插座DIP
3.5耳机插座SMT
DC插座
DC插座DIP
DC插座SMT
船型开关
微动开关
USB插座
TYPE-C插座
MICRO USB插座
MINI USB插座
USB A插座
-----产品快速导航------
轻触开关
拨动开关
按键开关
耳机插座
DC插座
船型开关
微动开关
USB插座
全国免费服务热线
13267911679
2x4侧按 TS-A012
当前位置:
首页
>
产品中心
>
轻触开关
>
产品详情 / Product Details
产品编号
动作力
操作方向
移动量
最大额定值
操作寿命
接触电阻
最小包襞单位
TS-A012
160gf
侧按
0.2
50mA 12V DC
3x10
4
100mΩ max
1000
250gf
1x10
4
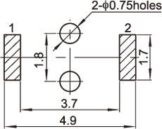
尺寸
安装图及电路图
关于我们
公司简介
荣誉证书
企业文化
厂房设备
检测设备
产品中心
轻触开关
拨动开关
按键开关
耳机插座
DC插座
船型开关
微动开关
USB插座
产品应用
新闻中心
人力资源
在线留言
联系我们
联系我们
13267911679
E-mail:tonyfang@jiamingtai.net
地址:
扫一扫 访问手机网站
Copyright © 2002-2017 嘉铭泰电子有限公司 版权所有
客服咨询
877371246
扫一扫
微信扫一扫 加我好友
返回顶部